
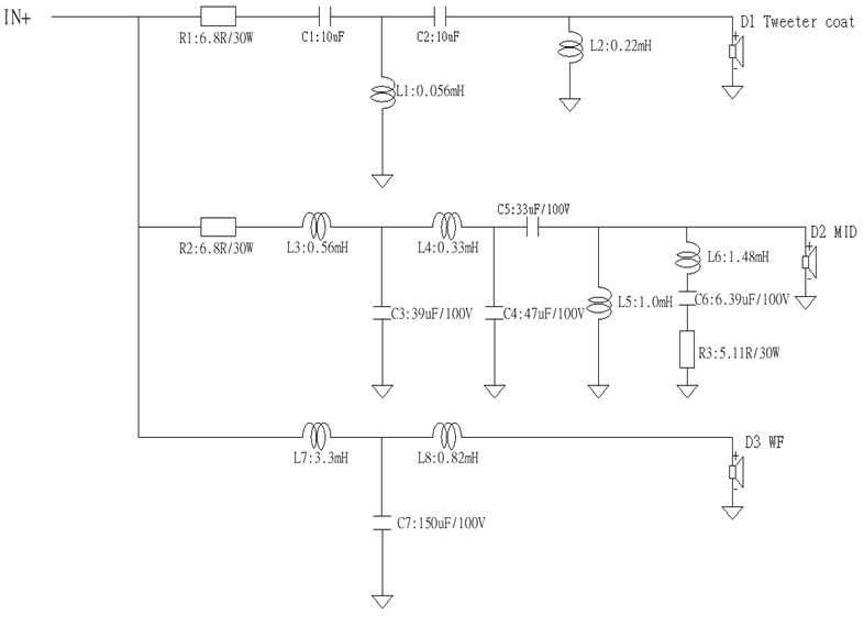
Specification Parameters
|
序号 |
零件名称 |
零件号 |
规格或描述 |
数量 |
单位 |
|
1 |
电路板PCB |
PS-PCB-0922 |
240*140*1.6mm FR4白芯料单面板2OZ铜箔黑色,铜箔面刷绿油1528 Bookshelf XO V2 |
1 |
pcs |
|
2 |
电感L1 |
0.56/0.8QA |
±3% 0.56mH Φ0.8QA空芯电感 |
1 |
PCS |
|
3 |
电感L2 |
0.22/0.8QA |
±3% 0.22mHΦ0.8QA空芯电感 |
1 |
PCS |
|
4 |
电感L3 |
0.56/1.2QA |
±3% 0.56mHΦ1.2QA空芯电感 |
1 |
PCS |
|
5 |
电感L4 |
0.33/1.2QA |
±3% 0.33mHΦ1.2QA空芯电感 |
1 |
PCS |
|
6 |
电感L5 |
1.0/0.8QA |
±3% 1.0mH Φ0.8QA空芯电感 |
1 |
PCS |
|
7 |
电感L6 |
3.3/1.2QA |
±3% 3.3mHΦ1.2QA空芯电感 |
1 |
PCS |
|
8 |
电感L7 |
1.48/0.8QA |
±3% 1.48mH Φ0.8QA空芯电感 |
1 |
PCS |
|
9 |
电感L8 |
0.82/0.8QA |
±3% 0.82mHΦ0.8QA空芯电感 |
1 |
PCS |
|
10 |
水泥电阻R1 |
SQP-50W-6R8J |
±3% 6.8R/50W黄金铝壳无感电阻 |
1 |
PCS |
|
11 |
水泥电阻R2 |
SQP-50W-6R8J |
±3% 6.8R/50W黄金铝壳无感电阻 |
1 |
PCS |
|
12 |
水泥电阻R2 |
SQP-50W-5R11J |
±3% 5.11R/50W黄金铝壳无感电阻 |
1 |
PCS |
|
13 |
电容C1 |
PS.C.MKT-0976 |
±3% 10uF/100V MKT红色电容 |
1 |
pcs |
|
14 |
电容C2 |
PS.C.MKT-0976 |
±3% 10uF/100V MKT红色电容 |
1 |
pcs |
|
15 |
电容C3 |
PS.C.MKT-0977 |
±3% 39uF/100V MKT红色电容 |
1 |
pcs |
|
16 |
电容C4 |
PS.C.MKT-0978 |
±3% 47uF/100V MKT红色电容 |
1 |
pcs |
|
17 |
电容C5 |
PS.C.MKT-0979 |
±3% 6.39uF/100V MKP白皮红胶电容 |
1 |
pcs |
|
18 |
电容C6 |
PS-BP-0647 |
±5% 150uF/100V B06黑色立式电解电容 |
1 |
pcs |
|
19 |
IN+/- |
PS.WIRE.2000 |
320mm±10mm 1015 18#红+/黑-并线 一头+T250*0.8t-T250*0.8t锁扣 距离端子头80mm处各吹1个白色IN+/IN-套管 另一头镀锡8mm;加护套 从白色套管起包210*30*3mm黑色海绵 |
1 |
pcs |
|
20 |
WF+/- |
PS.WIRE.2001 |
370mm±10mm 1015 18#蓝+/黑-并线 一头+T205*0.8t-T110*0.8t锁扣 距离端子头80mm处各吹1个白色WF1+/WF1-套管 加护套 另一头镀锡8mm;从白色套管起包260*30*3mm黑色海绵 |
1 |
pcs |
|
21 |
MID+/- |
PS.WIRE.2002 |
230mm±10mm 1015 18#红+/黑-并线 一头+T205*0.8t-T110*0.8t锁扣 距离端子头80mm处各吹1个白色WF2+/WF2-套管 加护套 另一头镀锡8mm;从白色套管起包120*30*3mm黑色海绵 |
1 |
pcs |
|
22 |
TW+/- |
PS.WIRE.2003 |
360mm±10mm 1015 20#黄+/黑-并线 一头+T205*0.5t-T110*0.5t锁扣 距离端子头80mm处各吹1个白色TW+/TW-套管 加护套 另一头镀锡8mm;从白色套管起包250*30*3mm黑色海绵 |
1 |
pcs |
|
23 |
垫圈 |
PS.XJD.0006 |
Φ5*Φ10*6T 黑色橡胶垫圈 单面背胶 |
6 |
pcs |
Technical Drawings


