
Specification Parameters
|
序号 |
零件名称 |
零件号 |
规格或描述 |
数量 |
单位 |
|
1 |
电路板PCB |
PS.PCB.0983 |
67*88*1.6t 22F料 字符面黑油白字 铜箔黑油 1oZ铜箔 |
1 |
PCS |
|
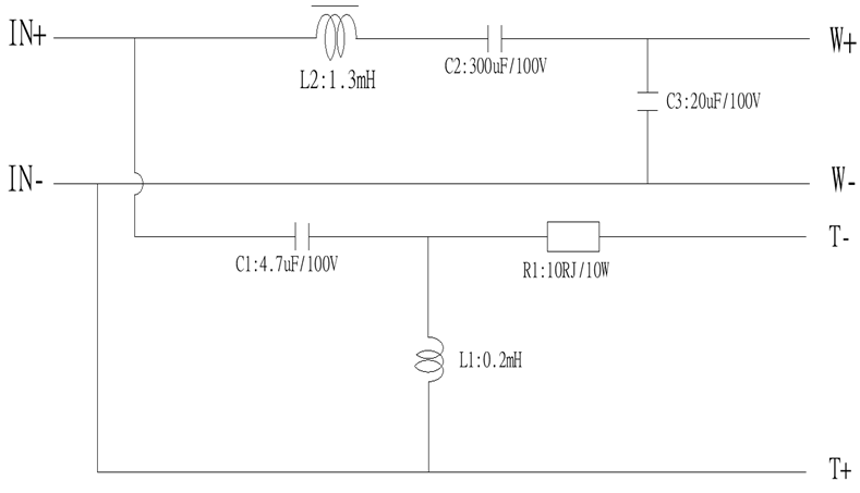
2 |
电感L1 |
0.2/0.6QA2513C |
0.2MH/0.6QA 打AB胶 |
1 |
PCS |
|
4 |
电感L2 |
1.3/0.4QAI4116 |
1.3MH/0.4QA |
1 |
PCS |
|
7 |
电容C1 |
PS.C.MET-0344T |
4.7UF/100V ±5% MET黄色电容 |
1 |
PCS |
|
8 |
电容C2 |
PS.BP.0558 |
300UF/100V黑色电解卧式电容 |
1 |
PCS |
|
9 |
电容C3 |
PS.BP.0040 |
20uF/100V±5% B10黑色卧式电解电容 |
1 |
PCS |
|
10 |
电阻R1 |
R.SQP-10-10RJ-2 |
10RJ/10W SQP水泥电阻 |
1 |
PCS |
|
11 |
IN+/- |
PS.WIRE.1613 |
140±10mm 2468 18#白黑并线 白+187/黑-110*0.8T锁扣母端+护套 居中包100*40*3MM厚防火海棉 |
1 |
PCS |
|
12 |
TW+/- |
FL.ZZ-XH2,54-2PW |
XH2.54-2P白色针座 直针180度 |
1 |
PCS |
|
13 |
WF+/- |
PS.WIRE.1614 |
240±10mm 2468 18#白绿并线 白+187/绿-110*0.8T锁扣母端+护套 居中包200*40*3MM厚防火海棉 |
1 |
PCS |
|
14 |
J+/- |
PS.WIRE.1615 |
450±10mm 2468 18#红黑并线 红+187/黑-187*0.8T锁扣母端+护套(护套无需拉上)另一头红+187/黑-110*0.8T公端+护套 居中包400*40*3MM厚防火海棉 |
1 |
PCS |
|
14 |
连接线 |
PS.FL.HM-120*40*3T |
120*40*3MM厚防火海棉 |
1 |
PCS |
|
15 |
间隔柱 |
PS.FL.DQ-M4*7*4 |
M4*7*4H Φ7*Φ4.2*4H ABS白色塑胶垫圈 |
4 |
PCS |
Technical Drawings


