
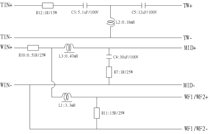
Specification Parameters
|
序号 |
零件名称 |
零件号 |
规格或描述 |
数量 |
单位 |
|
1 |
电路板PCB1 |
PS-PCB-0706B |
CEM-1白芯料本色 铜箔绿油 100*100*1.6t 黑字 1OZ铜箔 Encore 5.25 Tower V4 |
1 |
pcs |
|
2 |
电解电容C3 |
PS-BP-0391 |
5.1UF/100V±5% B03黑色立式电解电容 |
1 |
pcs |
|
3 |
电解电容C4 |
PS-BP-0385 |
30UF/100V±5% B03黑色立式电解电容 |
1 |
pcs |
|
4 |
电解电容C5 |
PS-BP-0393 |
12UF/100V±5% B03黑色立式电解电容 |
1 |
pcs |
|
5 |
电感L1 |
IB-3.3/0.8N-B57W |
3.3mH±5% Φ0.8QA 打AB胶 |
1 |
pcs |
|
7 |
电感L2 |
AB-0.18/0.8N-2825C |
0.18mH±5% Φ0.8QA 打AB胶 |
1 |
PCS |
|
9 |
电感L3 |
IB-0.47/0.6N-I41W2 |
0.47mH±5% Φ0.6QA 打AB胶 |
1 |
pcs |
|
11 |
电阻R7 |
SQMS-25-1RJ |
±5% 1R/25W SQMS水泥电阻 |
1 |
pcs |
|
12 |
电阻R10 |
SQMS-25-R51J |
±5% 0.51R/25W SQMS水泥电阻 |
1 |
pcs |
|
13 |
电阻R11 |
SQMS-25-15RJ |
±5% 15R/25W SQMS水泥电阻 |
1 |
pcs |
|
14 |
电阻R12 |
SQM-15-1RJ |
±5% 1R/15W SQM水泥电阻 |
1 |
pcs |
|
15 |
导线WIN+/- |
PS-WIRE-1017 |
260mm±10mm 26芯*0.25透明压红裸铜+/透明裸铜-并线+T205-T205*0.5t锁扣 加护套 OD:3.0/6.0 居中包裹210*30*5mm黑色海绵 |
1 |
pcs |
|
16 |
导线TIN+/- |
PS-WIRE-1018 |
260mm±10mm 30芯*0.18透明压红镀锡铜+/透明镀锡铜-并线+T205-T205*0.5t锁扣 加护套 OD:2.5/5.0 居中包裹210*30*5mm黑色海绵 |
1 |
pcs |
|
17 |
导线WF1+/- |
PS-WIRE-1015 |
350mm±10mm 26芯*0.25 透明压红裸铜+/透明裸铜-并线+T205-T110*0.8t锁扣 加护套 OD:3.0/6.0居中包裹300*30*5mm黑色海绵 特别注意110锁扣母端要和我给的公端匹配,插进去之后扣点不能轻易拔出 |
1 |
pcs |
|
18 |
导线WF2+/- |
PS-WIRE-1015 |
350mm±10mm 26芯*0.25 透明压红裸铜+/透明裸铜-并线+T205-T110*0.8t锁扣 加护套 OD:3.0/6.0居中包裹300*30*5mm黑色海绵 特别注意110锁扣母端要和我给的公端匹配,插进去之后扣点不能轻易拔出 |
1 |
pcs |
|
19 |
导线MID+/- |
PS-WIRE-1019 |
500mm±10mm 26芯*0.25 透明压蓝裸铜+/透明裸铜-并线+T205-T110*0.8t锁扣 加护套 OD:3.0/6.0居中包裹450*30*5mm黑色海绵 特别注意110锁扣母端要和我给的公端匹配,插进去之后扣点不能轻易拔出 |
1 |
pcs |
|
20 |
导线TW+/- |
PS-WIRE-1020B |
700mm±10mm 30芯*0.18透明压红镀锡铜+/透明镀锡铜-并线+T110-T110*0.5t锁扣 加护套 OD:2.5/5.0 居中包裹650*30*5mm黑色海绵 |
1 |
pcs |
Technical Drawings


