
Specification Parameters
|
序号 |
零件名称 |
零件号 |
规格或描述 |
数量 |
单位 |
|
1 |
电路板PCB1 |
PS.PCB.0966 |
140*90*1.6t 22F 字符面黑色漆 铜箔绿油 白字1OZ铜箔 |
1 |
PCS |
|
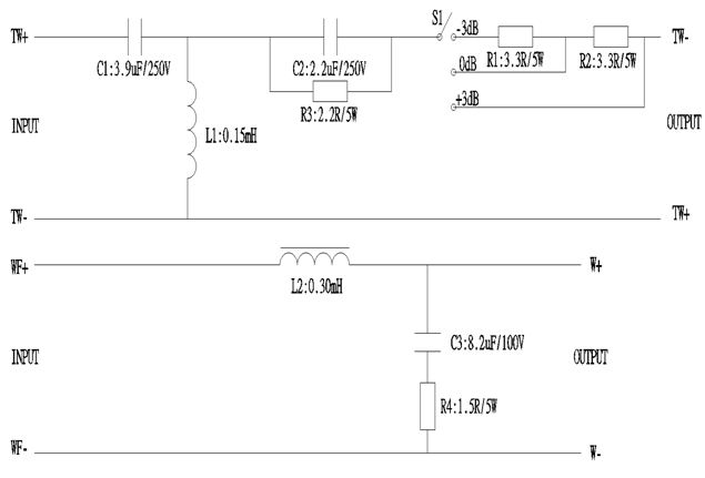
2 |
电容C1 |
PS.C.MPT-0807 |
3.9UF/250V ±5% MPT黄色电容 |
1 |
PCS |
|
3 |
电容C2 |
PS.C.MET-0808 |
2.2UF/250V ±5% MPT黄色电容 |
1 |
PCS |
|
4 |
电解电容C3 |
PS.BP.0513 |
8.2uF/100V±10% B10黑色卧式电解电容 |
1 |
PCS |
|
5 |
电感L1 |
AB-0.15/0.6N-2615C |
0.15mH±5% Φ0.6QA 打AB胶 |
1 |
PCS |
|
7 |
电感L2 |
AB-0.3/0.9N-3717C |
0.30mH±5% Φ1.0QA 打AB胶 |
1 |
PCS |
|
9 |
电阻R1 |
SQP-05-3R3J |
±5% 3.3R/5W SQP水泥电阻 |
1 |
PCS |
|
10 |
电阻R2 |
SQP-05-3R3J |
±5% 3.3R/5W SQP水泥电阻 |
1 |
PCS |
|
11 |
电阻R3 |
SQP-05-2R2J |
±5% 2.2R/5W SQP水泥电阻 |
1 |
PCS |
|
12 |
电阻R4 |
SQP-05-1R5J |
±5% 1.5R/5W SQP水泥电阻 |
1 |
PCS |
|
13 |
端子排 |
PS-EX45C-8P-G |
E-Xun DC45C 8P镀金脚中高背黑色塑胶端子排 |
1 |
pcs |
|
14 |
亚克力上盖 |
PS-YKL- NSI-CS670-1 |
黑茶色亚克力上盖 142*92*3mm厚 双色:Nakamichi NSI-CS670注意整洁 不能刮花 |
1 |
PCS |
|
15 |
亚克力下盖 |
PS-YKL- NSI-CS670-2 |
黑色克力下盖 162*92*3mm厚 注意整洁 不能刮花 |
1 |
PCS |
|
16 |
垫圈 |
PS-DQ-M3*7*3 |
M3*7*3H Φ7*Φ3.2*3H ABS黑色塑胶垫圈 |
4 |
pcs |
|
17 |
支撑柱 |
PS.ZCZ.LJ7*25TN |
7*25H 六角支撑柱 铁镀镍 中间攻M3机械牙 |
4 |
pcs |
|
18 |
螺丝1 |
PS-LS-M3*10-1 |
M3*10 镀黑十字平头机牙螺丝 注意螺丝不能生锈 |
4 |
pcs |
|
19 |
螺丝2 |
PS-LS-M3*8-2 |
M3*8 杯头镀镍内六角机牙螺丝 |
4 |
pcs |
|
20 |
PE袋 |
PS-PE-200/200*0.07 |
15*220*0.07T 透明PE袋 打孔 |
1 |
pcs |
Technical Drawings


