
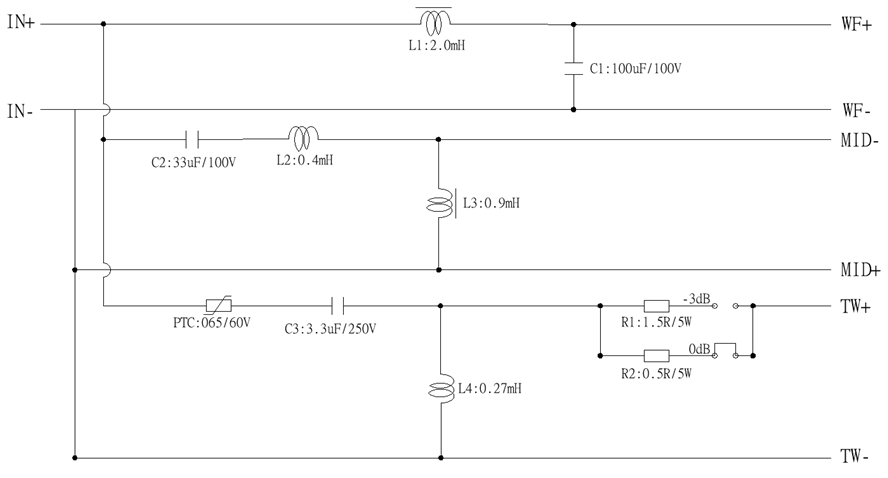
Specification Parameters
|
序号 |
零件名称 |
零件号 |
规格或描述 |
数量 |
单位 |
|
1 |
电路板PCB |
PS-PCB-0922 |
FR-4料双面板 147.3*97.5*1.6t 文字面透明油 铜箔面黑色烤漆 白字 过孔沉铜 焊盘喷锡 |
1 |
pcs |
|
2 |
电解电容C1 |
PS-BP-0509 |
100uF/100V±5% B10黑色立式电解电容 |
1 |
pcs |
|
3 |
电解电容C2 |
|
33uF/100V±5% B06黑色立式电解电容 |
1 |
pcs |
|
4 |
电容C3 |
PS-MET-0722 |
3.3uF/250V±5% MPT黑皮红胶电容 |
1 |
pcs |
|
5 |
电感L1 |
I-2.00/0.8N-I4816B |
2.00MH±5% Φ0.8QA 吹Φ22透明PVC套管 |
1 |
PCS |
|
7 |
电感L2 |
AB-0.4/0.8N-2825B |
0.40mH±5% Φ0.8QA 打AB胶 |
1 |
pcs |
|
9 |
电感L3 |
I-0.9/0.5N-I2810B |
0.90MH±5% Φ0.5QA 吹Φ15透明PVC套管 |
1 |
PCS |
|
11 |
电感L4 |
AB-0.27/0.5N-2115B |
0.27mH±5% Φ0.5QA 打AB胶 |
1 |
pcs |
|
13 |
水泥电阻R1 |
SQM-05-1R5J |
±5% 1.5R/5W SQM水泥电阻 |
1 |
PCS |
|
14 |
水泥电阻R2 |
SQM-05-0R5J |
±5% 0.5R/5W SQM水泥电阻 |
1 |
PCS |
|
15 |
保护器PTC |
PS-065/60V |
N065/60V |
1 |
pcs |
|
16 |
插针 |
PS-CZ-T106H |
T106H 铜镀金插针 |
4 |
pcs |
|
17 |
跳线帽 |
PS-TXM-B47K-1 |
B47K-1 红色ABS |
1 |
pcs |
|
18 |
端子排1-4 |
|
9.5-2P镀金脚中黑色塑胶端子排20.5*16*15.3 |
4 |
pcs |
|
19 |
垫圈 |
PS-DQ-M4*7*4 |
M4*7*4H Φ7*Φ4.2*4H ABS白色塑胶垫圈 |
3 |
pcs |
|
20 |
支撑柱 |
PS-ZCZ-8*28-M4-N |
Φ8*28H 快削铁镀镍 中间攻M4机械牙 |
3 |
pcs |
Technical Drawings


