
Specification Parameters
|
序号 |
零件名称 |
零件号 |
规格或描述 |
数量 |
单位 |
|
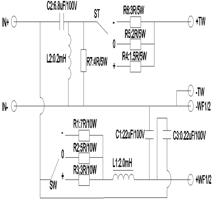
1 |
电路板PCB1 |
PS-PCB-0059 |
GHT-66-P FR-4料152*147*1.6T字符面黑色亮油,铜箔面绿油 |
1 |
pcs |
|
2 |
电解电容C1 |
PS-BP-0030 |
22uF/100V±10% B10黑色立式电解电容 |
1 |
pcs |
|
3 |
电容C2 |
PS-MET-0020 |
6.8uF/100V±5% MET黄色电容 |
1 |
pcs |
|
4 |
电容C3 |
PS-MER-0055 |
0.22uF/100V±5% MER天蓝色电容 |
1 |
pcs |
|
5 |
铁芯电感L1 |
2.0/0.8N-I48BP |
2.00mHΦ0.8QA 吹Φ20黑色PET套管 |
1 |
pcs |
|
6 |
空芯电感L2 |
0.2/0.8N-2825C |
0.20mH Φ0.8QA 打AB胶 |
1 |
pcs |
|
7 |
电阻R1 |
SQPS-10-7.0 |
7.0R/10W ±5% SQPS水泥电阻 |
1 |
pcs |
|
8 |
电阻R2 |
SQPS-10-5.0 |
5.0R/10W ±5% SQPS水泥电阻 |
1 |
pcs |
|
9 |
电阻R3 |
SQPS-10-3.0 |
3.0R/10W ±5% SQPS水泥电阻 |
1 |
pcs |
|
10 |
电阻R4 |
SQP-05-1.5 |
1.5R/5W ±5% SQP水泥电阻 |
1 |
pcs |
|
11 |
电阻R5 |
SQP-05-2.0 |
2.0R/5W ±5% SQP水泥电阻 |
1 |
pcs |
|
12 |
电阻R6 |
SQP-05-3.0 |
3.0R/5W ±5% SQP水泥电阻 |
1 |
pcs |
|
13 |
电阻R7 |
SQP-05-4.0 |
4.0R/5W ±5% SQP水泥电阻 |
1 |
pcs |
|
14 |
开关ST/SW |
PS-KG-0003 |
TDSS2P3TG5三档滑动开关8脚带安装孔 孔距:31*Φ3柄长:5 |
2 |
pcs |
|
15 |
铜柱IN+/- |
PS-TZ-C01 |
C01Φ13红/黑镀金按键铜柱 配套镀金华司,垫片,螺丝 |
1 |
SET |
|
16 |
导线WF1+/- |
PS-WIRE-0122 |
450mm±5mm 1015 16#红+/黑-并线+T205-T110*0.5t锁扣 加护套 |
1 |
pcs |
|
17 |
导线WF2+/- |
PS-WIRE-0077 |
110mm±5mm 1015 16#红+/黑-并线+T205-T110*0.5t锁扣 加护套 |
1 |
pcs |
|
18 |
导线TW+/- |
PS-WIRE-0123 |
160mm±5mm 1015 16#黄+/黑-并线+T205-T110*0.5t锁扣 加护套 |
1 |
pcs |
|
19 |
导线SW |
PS-WIRE-0124 |
370mm±5mm 1007 20#红色单线过锡3/8mm 与开关焊接处吹2*15黑色高温套管 |
1 |
pcs |
|
20 |
导线- |
PS-WIRE-0125 |
370mm±5mm 1007 20#黑色单线过锡3/8mm 与开关焊接处吹2*15黑色高温套管 |
1 |
pcs |
|
21 |
导线0 |
PS-WIRE-0126 |
370mm±5mm 1007 20#绿色单线过锡3/8mm 与开关焊接处吹2*15黑色高温套管 |
1 |
pcs |
|
22 |
导线+ |
PS-WIRE-0127 |
370mm±5mm 1007 20#黄色单线过锡3/8mm 与开关焊接处吹2*15黑色高温套管 |
1 |
pcs |
|
23 |
导线ST |
PS-WIRE-0128 |
135mm±5mm 1007 20#蓝色单线过锡3/8mm 与开关焊接处吹2*15黑色高温套管 |
1 |
pcs |
|
24 |
导线- |
PS-WIRE-0129 |
135mm±5mm 1007 20#黑色单线过锡3/8mm 与开关焊接处吹2*15黑色高温套管 |
1 |
pcs |
|
25 |
导线0 |
PS-WIRE-0130 |
135mm±5mm 1007 20#绿色单线过锡3/8mm 与开关焊接处吹2*15黑色高温套管 |
1 |
pcs |
|
26 |
导线+ |
PS-WIRE-0131 |
135mm±5mm 1007 20#黄色单线过锡3/8mm 与开关焊接处吹2*15黑色高温套管 |
1 |
pcs |
Technical Drawings


