
Specification Parameters
|
序号 |
零件名称 |
零件号 |
规格或描述 |
数量 |
单位 |
|
1 |
电路板PCB2 |
PS.PCB.0970 |
140*85mm*2.0t FR4料 双面黑色烤漆 印刷玫瑰金 字体2OZ铜箔 |
1 |
pcs |
|
2 |
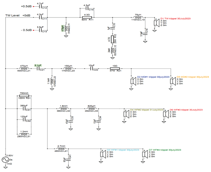
电容C11 |
PS.C.MKP-0815 |
±1% 4.3uF/100V MKP白皮红胶电容 |
1 |
pcs |
|
3 |
电容C12 |
PS.C.MKP-0813 |
±1% 4.7uF/100V MKP白皮红胶电容 |
1 |
pcs |
|
4 |
电容C13 |
PS.C.MKP-0827 |
±1% 3.9uF/100V MKP白皮红胶电容 |
1 |
pcs |
|
5 |
电容C14 |
PS.C.MKP-0815 |
±1% 4.3uF/100V MKP白皮红胶电容 |
1 |
pcs |
|
6 |
电容C15 |
PS.C.MKP-0817 |
±1% 1.0uF/100V MKP白皮红胶电容 |
1 |
pcs |
|
7 |
电容C16 |
PS.C.MKP-0818 |
±1% 3.3uF/100V MKP白皮红胶电容 |
1 |
pcs |
|
8 |
电容C21 |
PS.C.MKP-0814 |
±1% 5.1uF/100V MKP白皮红胶电容 |
1 |
pcs |
|
9 |
电容C22 |
PS.C.MKP-0828 |
±1% 10uF/100V MKP白皮红胶电容 |
1 |
pcs |
|
10 |
电感L11 |
0.47/1.0QA |
±1% 0.47mH Φ1.0mmQA浸漆 |
1 |
pcs |
|
11 |
电感L12 |
2.0/1.0QA |
±1% 2.0mH Φ0.8mmQA浸漆 |
1 |
pcs |
|
12 |
电感L13 |
0.075/1.2QA |
±1% 0.075mH Φ1.2mmQA浸漆 |
1 |
pcs |
|
13 |
电感L21 |
0.47/1.0QA |
±1% 0.47mH Φ1.0mmQA浸漆 |
1 |
pcs |
|
14 |
电感L22 |
1.1/1.0QA |
±1% 1.1mH Φ1.0mmQA浸漆 |
1 |
pcs |
|
15 |
电感L23 |
0.15/1.0QA |
±1% 0.15mH Φ1.0mmQA浸漆 |
1 |
pcs |
|
16 |
电阻R11 |
NRX24-50-4R3F |
±1% 4.3RF/50W 金铝壳电阻 |
1 |
pcs |
|
17 |
电阻R12 |
NRX24-50-4R7F |
±1% 4.7RF/50W 金铝壳电阻 |
1 |
pcs |
|
18 |
电阻R21 |
NRX24-50-9R1F |
±1% 9.1RF/50W 金铝壳电阻 |
1 |
pcs |
|
19 |
WIN+ |
PS-CP-2500802-G |
镀金公插片 250*0.8t公插片 两脚 |
1 |
PCS |
|
20 |
WIN-/MID/TW+ |
PS-CP-2050802-G |
镀金公插片 205*0.8t公插片 两脚 |
4 |
PCS |
|
21 |
MID1/2/TW- |
PS.CP.110-080-2P-G |
公插片 T110*0.8t金色2脚 |
3 |
PCS |
|
22 |
橡胶垫圈 |
PS-DQ-0006 |
Φ5*Φ10*6T 黑色橡胶垫圈 单面背胶 |
8 |
PCS |
|
23 |
跳线针 |
PS-CZ-T106H |
T106H 铜镀金插针 |
6 |
PCS |
|
24 |
跳线帽 |
PS.FL.TXM-B47K-1 |
B47K-1 红色ABS |
1 |
PCS |
|
25 |
抽芯铆钉 |
PS-MD-M3.2*6.4-B |
M3.2*6.4 黑色圆头铝拉钉抽芯铆钉 |
6 |
PCS |
|
26 |
W/MIN+/- |
PS.WIRE.1565 |
120mm±15mm 1.7平方毫米 透明裸铜胶皮单线+/白色胶皮单线-两线绞线+T250-T205*0.8t镀金锁扣 加护套 |
2 |
PCS |
|
27 |
MID1+/- |
PS.WIRE.1571 |
1100mm±15mm 1.7平方毫米 透明裸铜胶皮单线+/白色胶皮单线-单线绞线 两头打+T205-T110*0.8t镀金锁扣 加护套 距离端子头50mm处套970mm透明PVC管 距离端子头50mm处,距离端子头80mm处各吹1个白色MID1套管 距离端子头30mm处透明裸铜线吹“+”白色套管,白色线吹“-”白色套管 |
1 |
PCS |
|
28 |
MID2+/- |
PS.WIRE.1572 |
1100mm±15mm 1.7平方毫米 透明裸铜胶皮单线+/白色胶皮单线-单线绞线 两头打+T205-T110*0.8t镀金锁扣 加护套 距离端子头50mm处套970mm透明PVC管 距离端子头50mm处,距离端子头80mm处各吹1个白色MID2套管 距离端子头30mm处透明裸铜线吹“+”白色套管,白色线吹“-”白色套管 |
1 |
PCS |
|
29 |
TW+/- |
PS.WIRE.1573 |
1100mm±15mm 1.7平方毫米 透明裸铜胶皮单线+/白色胶皮单线-单线绞线 两头打+T205-T110*0.8t镀金锁扣 加护套 距离端子头50mm处套970mm透明PVC管 距离端子头50mm处,距离端子头120mm处各吹1个白色TW套管 距离端子头30mm处透明裸铜线吹“+”白色套管,白色线吹“-”白色套管 |
1 |
PCS |
Technical Drawings


