
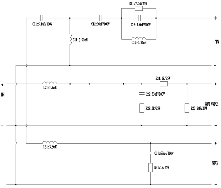
Specification Parameters
|
序号 |
零件名称 |
零件号 |
规格或描述 |
数量 |
单位 |
|
1 |
电路板PCB1 |
PS.PCB.0961 |
205*160mm*1.6t全玻纤料 双面红色1OZ铜箔A4t |
1 |
pcs |
|
2 |
电容C11 |
PS.C.MKT-0805 |
±2% 5.1uF/100V MKT红色电容 |
1 |
pcs |
|
3 |
电容C12 |
PS.C.MKT-0804 |
±2% 33uF/100V MKT红色电容 |
1 |
pcs |
|
4 |
电容C13 |
PS.C.MKT-0548 |
±2% 3.3uF/100V MKT红色电容 |
1 |
pcs |
|
5 |
电容C21 |
PS.C.MKT-0504 |
±2% 22uF/100V MKT红色电容 |
1 |
pcs |
|
6 |
电容C22 |
PS.BP.0424 |
±2% 43uF/100V B03红色立式电解电容 |
1 |
pcs |
|
7 |
电容C31 |
PS.BP.0372 |
±2% 75uF/100V B03红色立式电解电容 |
1 |
pcs |
|
8 |
电感L11 |
1.0/0.8QA174026 |
±2% 1.0mH Φ0.8QA浸漆 |
1 |
pcs |
|
9 |
电感L12 |
0.27/0.8QA14.53326 |
±2% 0.27mH Φ0.8QA浸漆 |
1 |
pcs |
|
10 |
电感L21 |
2.0/1.2QA19354926 |
±2% 2.0mH Φ1.2QA浸漆 |
1 |
pcs |
|
11 |
电感L22 |
1.0/1.0QA21.54726 |
±2% 1.0mH Φ1.0QA浸漆 |
1 |
pcs |
|
12 |
电感L31 |
3.6/01.2QA33.24915 |
±2% 3.6mH Φ1.2QA浸漆 |
1 |
pcs |
|
13 |
电阻R11 |
PS.R.SQP-25-6R8G |
±2% 6.8R/25W SQP水泥电阻14.5*13.5*6 |
1 |
pcs |
|
14 |
电阻R12 |
PS.R.SQP-25-47RG |
±2% 39R/25W SQP水泥电阻14.5*13.5*60 |
1 |
pcs |
|
15 |
电阻R21 |
PS.R.SQP-25-2R7G |
±2% 2.7R/25W SQP水泥电阻14.5*13.5*60 |
1 |
pcs |
|
16 |
电阻R31 |
PS.R.SQP-25-1RG |
±2% 1R/25W SQP水泥电阻14.5*13.5*60 |
1 |
pcs |
|
17 |
IN+/- |
PS.WIRE.1542 |
630mm±10mm 1.7平方毫米 透明裸铜胶皮单线+/白色胶皮单线-两线绞线+T250-T205*0.8t镀金锁扣 加护套 无需透明PVC管 距离过锡头30mm处,距离端子头50mm处各吹1个白色IN套管 距离端子头30mm处透明裸铜线吹“+”白色套管,白色线吹“-”白色套管 注意绞合度要密 |
1 |
PCS |
|
18 |
WF1+/- |
PS.WIRE.1543 |
780mm±10mm 1.7平方毫米 透明裸铜胶皮单线+/白色胶皮单线-两线绞线+T205-T110*0.8t镀金锁扣 加护套 无需透明PVC管 距离过锡头50mm处, 距离端子头150mm处各吹1个白色WF1套管 距离端子头30mm处透明裸铜线吹“+”白色套管,白色线吹“-”白色套管 注意绞合度要密 |
1 |
PCS |
|
19 |
WF2+/- |
PS.WIRE.1544 |
850mm±10mm 1.7平方毫米 透明裸铜胶皮单线+/白色胶皮单线-两线绞线+T205-T110*0.8t镀金锁扣 加护套 无需透明PVC管 距离过锡头50mm处, 距离端子头150mm处各吹1个白色WF2套管 距离端子头30mm处透明裸铜线吹“+”白色套管,白色线吹“-”白色套管 注意绞合度要密 |
1 |
PCS |
|
20 |
WF3+/- |
PS.WIRE.1545 |
700mm±15mm 1.7平方毫米 透明裸铜胶皮单线+/白色胶皮单线-两线绞线+T205-T110*0.8t镀金锁扣 加护套 无需透明PVC管 距离过锡头50mm处, 距离端子头150mm处各吹1个白色WF3套管 距离端子头30mm处透明裸铜线吹“+”白色套管,白色线吹“-”白色套管 注意绞合度要密 |
1 |
PCS |
|
21 |
TW+/- |
PS.WIRE.1546 |
830mm±15mm 1.7平方毫米 透明裸铜胶皮单线+/白色胶皮单线-单线绞线+T205-T110*0.8t镀金锁扣 加护套 无需透明PVC管 距离过锡头50mm处,距离端子头120mm处各吹1个白色TW套管 距离端子头30mm处透明裸铜线吹“+”白色套管,白色线吹“-”白色套管 注意绞合度要密 |
1 |
PCS |
Technical Drawings


